Инжиниринг
Обучение и ПНР
Выгодная цена
Доставка по РФ и СНГ
Различные виды оплаты и лизинг
Гарантия 12 месяцев
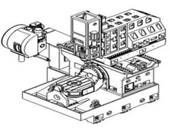
Вертикальный 5-осевой обрабатывающий центр MX800 — это решение для тех, кто ценит максимальную точность и производительность при работе со сложными пространственными деталями.
Пятиосевая синхронная обработка позволяет выполнять фрезерные, сверлильные и расточные операции за одну установку, без перебазирования заготовки. Инструмент и деталь движутся под любыми углами, обеспечивая идеальную геометрию и качество поверхности.
Технологические преимущества:
- высокооборотный шпиндель премиум-класса — для обработки сталей, чугунов и твердых сплавов;
- поворотно-наклонный стол — для точного позиционирования при сложных траекториях;
- жесткая станина — гарант стабильности, точности и отсутствия вибраций при динамических нагрузках.
Области применения:
MX800 востребован в аэрокосмической, автомобильной и инструментальной промышленности, а также при производстве пресс-форм, корпусов насосов и медицинских имплантатов.
Система ЧПУ последнего поколения обеспечивает точное управление всеми осями, упрощая программирование и сокращая цикл обработки.
MX800 — когда каждый микрон имеет значение.

Оставьте ваш телефон и мы свяжемся с вами, чтобы озвучить стоимость
Оставляя заявку, вы соглашаетесь с политикой конфиденциальности